
Deska podłogowa dębowa lita - trwałość i elegancja na lata
Poznaj zalety deski podłogowej dębowej litej: trwałość, estetyka i łatwość renowacji. Dowiedz się, dlaczego to idealne rozwiązanie dla Twojego domu. Naturalne piękno na lata!

Poznaj zalety deski podłogowej dębowej litej: trwałość, estetyka i łatwość renowacji. Dowiedz się, dlaczego to idealne rozwiązanie dla Twojego domu. Naturalne piękno na lata!

Poznaj korzyści i właściwości ocieplonych rur wentylacyjnych. Dowiedz się, jak izolacja wpływa na efektywność energetyczną, komfort akustyczny i trwałość systemu wentylacji w Twoim domu.

Szukasz trwałej i eleganckiej barierki na schody z kwasówki? Poznaj zalety balustrad ze stali nierdzewnej. Bezpieczeństwo, estetyka i łatwa konserwacja w jednym rozwiązaniu.

Poznaj wkłady kominkowe Supra - synonim jakości i wydajności. Dowiedz się, dlaczego są najlepszym wyborem do Twojego domu. Efektywne ogrzewanie i nowoczesny design w jednym.

Blacha z posypką gontopodobną łączy trwałość metalu z estetyką gontu. Poznaj zalety tego nowoczesnego pokrycia dachowego: odporność, łatwy montaż i długą żywotność.

Poznaj panele z blachy corten - innowacyjne rozwiązanie dla nowoczesnej architektury. Odkryj zalety stali kortenowskiej, jej zastosowania w elewacjach i designie. Trwałość i estetyka w jednym.

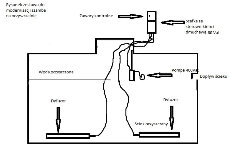
Dowiedz się, jak przekształcić szambo w oczyszczalnię biologiczną. Poznaj korzyści ekologiczne, oszczędności i praktyczne kroki modernizacji systemu ściekowego. Zrób to sam!

Poznaj Romotop KV 055A - nowoczesny wkład kominkowy z regulacją mocy 6-18 kW. Przesuwne drzwiczki, innowacyjne spalanie i wysoka jakość. Sprawdź cechy i opinie użytkowników.

Poznaj aktualne ceny kominków Brunner na 2025 rok. Porównaj modele, sprawdź koszty instalacji i wybierz idealny kominek do swojego domu. Oszczędzaj na ogrzewaniu z Brunner!

Poznaj cenę palnika Pellas X Mini Revo i sprawdź, czy warto go kupić. Porównaj koszty, funkcje i opinie użytkowników. Dowiedz się, gdzie znaleźć najlepszą ofertę na rynku.