Adaptacja szamba na biologiczną oczyszczalnię ścieków to innowacyjne rozwiązanie dla gospodarstw domowych. Proces ten niesie ze sobą liczne korzyści, zarówno dla portfela, jak i środowiska. Modernizacja polega na przekształceniu tradycyjnego zbiornika bezodpływowego w nowoczesny system oczyszczania. Wymaga to kilku kroków, ale efekty są warte wysiłku.
Najważniejsze informacje:
- Znaczące oszczędności finansowe dzięki rzadszemu opróżnianiu
- Ekologiczne podejście - mniejsze zanieczyszczenie gleby i wód
- Eliminacja nieprzyjemnych zapachów
- Konieczność zgłoszenia budowy i uzyskania odpowiednich pozwoleń
- Montaż specjalistycznego sprzętu w istniejącym zbiorniku
- Możliwość instalacji systemu rozsączającego dla pełnej funkcjonalności
Dlaczego warto przekształcić szambo w oczyszczalnię biologiczną?
Adaptacja szamba na biologiczną oczyszczalnię ścieków to krok w stronę nowoczesnego i ekologicznego gospodarowania ściekami. Tradycyjne szamba, choć powszechne, niosą ze sobą wiele niedogodności i kosztów. Modernizacja szamba na oczyszczalnię biologiczną eliminuje te problemy, oferując liczne korzyści dla domowników i środowiska.
Przeróbka szamba na oczyszczalnię to inwestycja w przyszłość. Nowoczesne systemy oczyszczania ścieków są bardziej wydajne i przyjazne dla otoczenia. Dzięki nim możemy znacząco zmniejszyć nasz negatywny wpływ na ekosystem, jednocześnie ciesząc się wygodą i oszczędnościami.
Decydując się na przekształcenie szamba w oczyszczalnię biologiczną, zyskujemy nie tylko spokój ducha, ale także konkretne, wymierne korzyści. Przyjrzyjmy się najważniejszym z nich:
- Znaczne oszczędności finansowe - rzadsze opróżnianie zbiornika
- Ochrona środowiska - minimalizacja ryzyka zanieczyszczenia gleby i wód gruntowych
- Brak nieprzyjemnych zapachów - komfort dla domowników i sąsiadów
- Zwiększenie wartości nieruchomości - nowoczesne rozwiązania podnoszą atrakcyjność domu
Proces adaptacji szamba na oczyszczalnię biologiczną
Krok 1: Ocena stanu istniejącego szamba
Pierwszym etapem unowocześnienia systemu ściekowego jest dokładna ocena stanu obecnego szamba. To kluczowy moment, który determinuje możliwości i zakres modernizacji. Profesjonalna inspekcja pozwoli określić, czy istniejący zbiornik nadaje się do adaptacji.
Podczas oceny specjaliści zwracają uwagę na kilka kluczowych aspektów. Od ich stanu zależy, czy przebudowa szamba na oczyszczalnię ścieków będzie możliwa i opłacalna.
- Szczelność i stan techniczny zbiornika
- Pojemność i wymiary szamba
- Lokalizacja względem domu i innych obiektów
Krok 2: Projekt modernizacji
Po pozytywnej ocenie stanu szamba, kolejnym krokiem jest stworzenie projektu modernizacji. To etap, w którym inżynierowie opracowują szczegółowy plan adaptacji szamba na biologiczną oczyszczalnię ścieków. Projekt uwzględnia specyfikę istniejącego zbiornika, potrzeby gospodarstwa domowego oraz lokalne warunki gruntowo-wodne.
W projekcie określa się rodzaj i wielkość systemu oczyszczającego, sposób montażu oraz niezbędne modyfikacje. Dobiera się odpowiednie urządzenia, takie jak pompy, dmuchawy czy filtry. Precyzyjne planowanie na tym etapie jest kluczowe dla skuteczności całej przeróbki szamba na oczyszczalnię.
Krok 3: Formalności i pozwolenia
Modernizacja szamba wymaga dopełnienia szeregu formalności. Konieczne jest zgłoszenie planowanych prac w odpowiednich urzędach. Proces ten, choć może wydawać się skomplikowany, jest niezbędny dla legalności inwestycji.
Warto skorzystać z pomocy specjalistów, którzy przeprowadzą nas przez procedury administracyjne. Ich doświadczenie może znacznie przyspieszyć uzyskanie niezbędnych pozwoleń na przebudowę szamba na oczyszczalnię ścieków.
Oto lista dokumentów, które zazwyczaj są wymagane podczas procesu formalizacji:
- Projekt techniczny modernizacji
- Mapa do celów projektowych
- Zgłoszenie budowy lub pozwolenie na budowę
- Oświadczenie o prawie do dysponowania nieruchomością
Krok 4: Montaż systemu oczyszczania
Gdy formalności są już za nami, przychodzi czas na właściwą adaptację szamba na biologiczną oczyszczalnię ścieków. To najbardziej widoczny i ekscytujący etap całego procesu. Specjaliści przystępują do montażu systemu oczyszczającego w istniejącym zbiorniku.
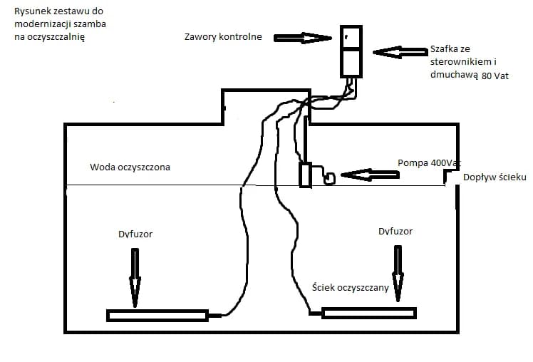
Prace rozpoczynają się od przygotowania szamba - czyszczenia i ewentualnych napraw. Następnie instaluje się kluczowe elementy systemu: reaktor biologiczny, pompy, dmuchawy i system napowietrzania. Każdy element jest starannie montowany, aby zapewnić optymalną wydajność oczyszczalni.
Ostatnim etapem jest podłączenie systemu do istniejącej instalacji kanalizacyjnej oraz montaż systemu sterowania. Po zakończeniu prac przeprowadza się testy, aby upewnić się, że wszystko działa prawidłowo. Przeróbka szamba na oczyszczalnię jest teraz zakończona.
Porada: Wybierając firmę do przeprowadzenia adaptacji szamba na biologiczną oczyszczalnię ścieków, zwróć uwagę na jej doświadczenie i referencje. Sprawdź, czy posiada odpowiednie certyfikaty i czy oferuje gwarancję na wykonane prace. Profesjonalna firma zapewni nie tylko wysoką jakość montażu, ale także wsparcie techniczne po zakończeniu inwestycji.
Wymagania techniczne i sprzętowe
Przekształcenie szamba w oczyszczalnię biologiczną wymaga zastosowania specjalistycznego sprzętu. Kluczowe elementy to reaktor biologiczny, system napowietrzania i pompy cyrkulacyjne. Każdy z tych elementów pełni istotną rolę w procesie oczyszczania ścieków, zapewniając wysoką skuteczność całego systemu.
Warto podkreślić, że nowoczesne oczyszczalnie biologiczne są znacznie bardziej zaawansowane technologicznie niż tradycyjne szamba. Wykorzystują one procesy biologiczne do rozkładu zanieczyszczeń, co wymaga precyzyjnego sterowania i monitorowania. Dlatego też niezbędne jest zastosowanie systemu kontroli i automatyki.
| Element | Szambo | Oczyszczalnia biologiczna |
|---|---|---|
| Zbiornik | Prosty, jednokomorowy | Wielokomorowy, z przegrodami |
| System napowietrzania | Brak | Zaawansowany, z dmuchawą |
| Odprowadzanie ścieków | Wywóz nieczystości | Oczyszczona woda odprowadzana do gruntu |
Koszty modernizacji i potencjalne oszczędności
Inwestycja w adaptację szamba na biologiczną oczyszczalnię ścieków wiąże się z pewnym kosztem początkowym. Obejmuje on projekt, zakup sprzętu oraz prace instalacyjne. Jednak w dłuższej perspektywie, modernizacja przynosi znaczące oszczędności.
Główne źródło oszczędności to eliminacja konieczności regularnego wywożenia nieczystości. Oczyszczalnia biologiczna wymaga opróżniania osadu jedynie raz na kilka lat. To drastycznie zmniejsza koszty eksploatacji w porównaniu do tradycyjnego szamba.
Dodatkowo, ekologiczna modernizacja szamba może przyczynić się do obniżenia opłat za wodę i ścieki. W niektórych gminach stosowane są preferencyjne stawki dla właścicieli oczyszczalni biologicznych.
| Kategoria | Szambo | Oczyszczalnia biologiczna |
|---|---|---|
| Koszt instalacji | 5000-8000 zł | 10000-15000 zł |
| Roczny koszt eksploatacji | 3000-4000 zł | 500-800 zł |
| Oszczędności po 5 latach | - | 10000-15000 zł |
Jak działa biologiczna oczyszczalnia ścieków?
Biologiczna oczyszczalnia ścieków to zaawansowany system, który wykorzystuje naturalne procesy do oczyszczania ścieków. Pierwszym etapem jest mechaniczne oczyszczanie, gdzie większe zanieczyszczenia są oddzielane od wody. To kluczowy krok dla efektywności całego procesu.
Następnie ścieki trafiają do komory napowietrzania. Tutaj specjalne bakterie tlenowe rozkładają zanieczyszczenia organiczne. Proces ten jest wspomagany przez system napowietrzania, który dostarcza tlenu niezbędnego dla bakterii.
Kolejnym etapem jest sedymentacja, gdzie oczyszczona woda oddziela się od osadu. Osad zawierający bakterie częściowo wraca do komory napowietrzania, co zapewnia ciągłość procesu. Nadmiar osadu jest okresowo usuwany.
Ostatnim etapem jest doczyszczanie i odprowadzenie wody. Oczyszczona woda może być bezpiecznie odprowadzona do gruntu lub wykorzystana do nawadniania ogrodu. To zamyka cykl adaptacji szamba na biologiczną oczyszczalnię ścieków.
Konserwacja i obsługa nowej instalacji
Po przeróbce szamba na oczyszczalnię, kluczowe jest prawidłowe utrzymanie systemu. Regularna konserwacja zapewnia długotrwałą i efektywną pracę oczyszczalni. Większość czynności można wykonać samodzielnie, ale warto też rozważyć okresowe przeglądy przez specjalistę.
Jednym z najważniejszych aspektów konserwacji jest kontrola poziomu osadu. Zbyt duża ilość osadu może zaburzyć proces oczyszczania. Dlatego ważne jest, aby regularnie sprawdzać jego poziom i w razie potrzeby usuwać nadmiar.
Nie można zapominać o kontroli systemu napowietrzania. Sprawne działanie dmuchawy jest kluczowe dla efektywności oczyszczalni. Regularne czyszczenie filtrów i sprawdzanie działania pompy to podstawowe czynności konserwacyjne.
- Kontrola poziomu osadu (co 3-6 miesięcy)
- Czyszczenie filtrów powietrza (co miesiąc)
- Sprawdzanie działania pomp i dmuchawy (co kwartał)
- Usuwanie nadmiaru osadu (co 2-3 lata)
- Kontrola jakości oczyszczonej wody (raz w roku)
Potencjalne wyzwania i rozwiązania
Jednym z wyzwań przy adaptacji szamba na biologiczną oczyszczalnię ścieków może być niewystarczająca pojemność istniejącego zbiornika. W takiej sytuacji rozwiązaniem jest rozbudowa systemu o dodatkowy zbiornik lub zastosowanie bardziej wydajnych technologii oczyszczania. Profesjonalna firma instalacyjna potrafi dostosować projekt do indywidualnych warunków.
Innym problemem może być nieprzyjemny zapach, szczególnie w początkowej fazie działania oczyszczalni. Zwykle jest to przejściowe i związane z procesem adaptacji bakterii. Rozwiązaniem jest cierpliwość i ewentualne zastosowanie dodatkowych biopreparatów, które przyspieszą rozwój odpowiedniej flory bakteryjnej.
Czasami wyzwaniem może być zbyt mała ilość ścieków, co prowadzi do nieefektywnej pracy oczyszczalni. W takim przypadku można rozważyć instalację systemu recyrkulacji ścieków lub zastosowanie oczyszczalni z technologią SBR (Sequencing Batch Reactor), która lepiej radzi sobie z nierównomiernym dopływem ścieków.
Wreszcie, w zimie może pojawić się problem z zamarzaniem instalacji. Rozwiązaniem jest odpowiednie zabezpieczenie termiczne zbiornika i instalacji naziemnych. Warto też rozważyć zakop oczyszczalni na odpowiedniej głębokości, co naturalnie chroni przed mrozem.
Czy adaptacja szamba na oczyszczalnię jest legalna?
Przebudowa szamba na oczyszczalnię ścieków jest w pełni legalna, po d warunkiem spełnienia określonych wymogów prawnych. Kluczowe jest uzyskanie odpowiednich pozwoleń przed rozpoczęciem prac. Należy pamiętać, że przepisy mogą się różnić w zależności od regionu i lokalnych uwarunkowań.
Zgodnie z prawem budowlanym, modernizacja szamba na oczyszczalnię biologiczną wymaga zgłoszenia w starostwie powiatowym. W niektórych przypadkach może być wymagane uzyskanie pozwolenia na budowę, szczególnie jeśli planowane są znaczące zmiany w istniejącej infrastrukturze.
Warto podkreślić, że legalna adaptacja szamba na biologiczną oczyszczalnię ścieków przynosi korzyści nie tylko właścicielowi, ale także środowisku. Dlatego wiele gmin wspiera takie inicjatywy, oferując dofinansowania lub ulgi podatkowe dla inwestorów.
Wpływ modernizacji na środowisko lokalne
Przekształcenie szamba w oczyszczalnię biologiczną ma znaczący pozytywny wpływ na lokalne środowisko. Przede wszystkim, eliminuje ryzyko przedostawania się nieoczyszczonych ścieków do gleby i wód gruntowych. To kluczowe dla ochrony lokalnych ekosystemów i zasobów wodnych.
Oczyszczone ścieki, odprowadzane do gruntu, mogą być wykorzystane do nawadniania roślin. Dzięki temu ekologiczna modernizacja szamba przyczynia się do bardziej zrównoważonego gospodarowania wodą. Jest to szczególnie istotne w obliczu coraz częstszych problemów z suszą.
Dodatkowo, nowoczesne oczyszczalnie biologiczne praktycznie eliminują problem nieprzyjemnych zapachów. To znacząco poprawia komfort życia nie tylko właścicieli, ale także sąsiadów. Unowocześnienie systemu ściekowego może więc przyczynić się do poprawy relacji sąsiedzkich i ogólnego podniesienia jakości życia w okolicy.
Adaptacja szamba na oczyszczalnię biologiczną: Inwestycja w przyszłość
Przeróbka szamba na oczyszczalnię to nie tylko krok w stronę nowoczesności, ale przede wszystkim inwestycja w ochronę środowiska i własny komfort. Proces ten, choć wymaga pewnego nakładu pracy i środków, przynosi długoterminowe korzyści zarówno finansowe, jak i ekologiczne.
Kluczowe etapy adaptacji szamba na biologiczną oczyszczalnię ścieków obejmują ocenę stanu istniejącego zbiornika, przygotowanie projektu, dopełnienie formalności i wreszcie montaż systemu. Każdy z tych kroków jest istotny dla powodzenia całego przedsięwzięcia. Warto pamiętać, że profesjonalne wsparcie na każdym etapie może znacznie ułatwić cały proces.
Decydując się na modernizację szamba, inwestujemy nie tylko we własną nieruchomość, ale również w lokalne środowisko. Eliminacja ryzyka zanieczyszczenia gleby i wód gruntowych, redukcja nieprzyjemnych zapachów oraz możliwość wykorzystania oczyszczonej wody to tylko niektóre z zalet tego rozwiązania. W dłuższej perspektywie, przekształcenie szamba w oczyszczalnię biologiczną okazuje się być zarówno ekonomicznie opłacalne, jak i przyjazne dla otoczenia.






