Adaptacja szamba na oczyszczalnię biologiczną: Krok po kroku
Dowiedz się, jak przekształcić szambo w oczyszczalnię biologiczną. Poznaj korzyści ekologiczne, oszczędności i praktyczne kroki modernizacji systemu ściekowego. Zrób to sam!
W świecie budownictwa nieustannie pojawiają się nowe pomysły i trendy, które mogą zainspirować Twoje projekty. W tej kategorii znajdziesz różnorodne artykuły, które pomogą Ci odkryć kreatywne rozwiązania, innowacyjne materiały oraz praktyczne porady dotyczące budowy i remontów. Nasze teksty są pisane z myślą o wszystkich, którzy pragną wzbogacić swoje wiedzę i umiejętności w zakresie budownictwa. Niezależnie od tego, czy planujesz duży projekt, czy małe zmiany w swoim domu, nasze inspiracje pomogą Ci w podjęciu najlepszych decyzji. Zapraszamy do lektury i odkrywania, jak można wprowadzić świeżość i nowoczesność w swoje przestrzenie!
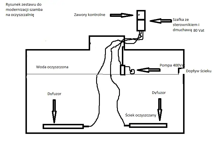
Dowiedz się, jak przekształcić szambo w oczyszczalnię biologiczną. Poznaj korzyści ekologiczne, oszczędności i praktyczne kroki modernizacji systemu ściekowego. Zrób to sam!
Zobacz zdjęcia granatów znalezionych w garażach i dowiedz się, jak postępować w przypadku niebezpiecznych znalezisk. Poznaj działania służb i proces ewakuacji.
Szukasz inspiracji dla swojej fasady? Poznaj różnorodne dekoracje na elewacje, które odmienią wygląd Twojego domu. Od sztukateriiME po nowoczesne detale - znajdź idealne rozwiązanie!
Poznaj zalety projektu domu NF15 - energooszczędnego, ekologicznego i komfortowego. Dowiedz się, jak osiągnąć niskie koszty eksploatacji i chronić środowisko, budując dom pasywny.
Stwórz własną wiatę ogrodową krok po kroku. Poznaj typy konstrukcji, dobierz materiały i wymiary. Praktyczne wskazówki dla budowy idealnego zadaszenia w Twoim ogrodzie.
Dom przy Cyprysowej 26 CE to nowoczesny projekt domu jednorodzinnego o powierzchni 99m2. Otwarta przestrzeń dzienna, trzy sypialnie i duże przeszklenia tworzą funkcjonalne wnętrze dla całej rodziny.
Stwórz piękne oczko wodne z kamieni w 6 prostych krokach. Poznaj tajniki wyboru kamieni, budowy, pielęgnacji i doboru roślin. Udekoruj swój ogród już dziś!
Poznaj tajniki mszenia domów z bali - tradycyjnej metody izolacji. Dowiedz się, jak wykonać ten proces, by zapewnić doskonałą termoizolację i trwałość konstrukcji drewnianej.
Poznaj zalety budowy domu z ekolitu - energooszczędnego i szybkiego rozwiązania. Dowiedz się o procesie, kosztach i trwałości tej nowoczesnej technologii styropianowej.
Planując remont mieszkania w kamienicy, poznaj koszty, formalności i praktyczne porady. Dowiedz się, jak skutecznie przeprowadzić renowację, zachowując charakter zabytkowego budynku.
Poznaj 5 genialnych sposobów na ukrycie butli gazowej w kuchni. Estetyczne i bezpieczne rozwiązania, które pozwolą zamaskować butlę, zachowując funkcjonalność i styl Twojej kuchni.
Jak zostać właścicielem domu bez kredytu za 100 tys? Poznaj sposoby na tani zakup, alternatywne metody finansowania i możliwości budowy ekonomicznego domu własnego. Oszczędzaj mądrze!
Poznaj zalety małych kuchni kaflowych - funkcjonalne i stylowe rozwiązanie do niewielkich pomieszczeń. Efektywne gotowanie, ogrzewanie i estetyka w jednym kompaktowym urządzeniu.
Dowiedz się, jak zbudować funkcjonalną altanę z domkiem gospodarczym. Poznaj etapy budowy, koszty oraz praktyczne porady. Stwórz idealne miejsce wypoczynku i przechowywania w ogrodzie.