
Poznaj zalety złącza szwedzkiego do studni głębinowej. Dowiedz się, jak ten innowacyjny adapter ułatwia montaż pompy, eliminuje potrzebę obudowy i zwiększa bezpieczeństwo instalacji.
Cześć! Mam na imię Dariusz i jestem pasjonatem budownictwa oraz majsterkowania. Jako właściciel tego portalu, dzielę się swoją wiedzą i doświadczeniem zdobytym przez lata pracy w branży. Z fascynacją eksploruję nowinki technologiczne w narzędziach i materiałach budowlanych. Moim celem jest inspirowanie innych do realizacji ich projektów, a także zapewnienie rzetelnych informacji, które ułatwią każdemu pracę w tej dziedzinie. Zapraszam do odkrywania wspólnie z nami!

Poznaj zalety złącza szwedzkiego do studni głębinowej. Dowiedz się, jak ten innowacyjny adapter ułatwia montaż pompy, eliminuje potrzebę obudowy i zwiększa bezpieczeństwo instalacji.

Dowiedz się, jak koszyczki do rynien chronią Twój system przed zatorami i awariami. Poznaj zalety, rodzaje i sposoby montażu tych skutecznych zabezpieczeń rynien.

Dowiedz się, jak prawidłowo zastosować papę pod gont bitumiczny. Poznaj rodzaje, zalety i metody montażu papy dachowej, aby zapewnić trwałość i skuteczną izolację swojego dachu.

Poznaj zalety i wady domów z oknami ze szprosami. Dowiedz się, jak łączą klasyczny urok z nowoczesnymi rozwiązaniami. Inspiracje dla domów w stylu angielskim, francuskim i rustykalnym.

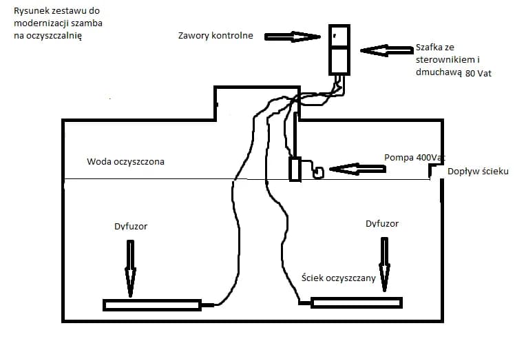
Dowiedz się, jak przekształcić szambo w oczyszczalnię biologiczną. Poznaj korzyści ekologiczne, oszczędności i praktyczne kroki modernizacji systemu ściekowego. Zrób to sam!

Odkryj basen pod tarasem - innowacyjne rozwiązanie oszczędzające miejsce w ogrodzie. Poznaj zalety, wady i koszty budowy wielofunkcyjnego basenu z ruchomym dnem.

Poznaj prawdziwe opinie użytkowników o oczyszczalni EKO-SUM BIO HERO. Sprawdź efektywność, trwałość i koszty, aby podjąć najlepszą decyzję.

Poznaj kostkę brukową Promenada - eleganckie i trwałe rozwiązanie do ogrodu. Sprawdź kolory, wymiary i zastosowania. Stwórz funkcjonalną i piękną przestrzeń wokół domu.

Poznaj korzyści i właściwości ocieplonych rur wentylacyjnych. Dowiedz się, jak izolacja wpływa na efektywność energetyczną, komfort akustyczny i trwałość systemu wentylacji w Twoim domu.

Poznaj wszystko o rurach do studni głębinowej 160 mm. Materiały, długości, zastosowania i certyfikaty. Dowiedz się, jak wybrać i zamontować idealne rury do Twojej studni.