
Zawiasy do drzwi przeciwpożarowych: kluczowe cechy i wymagania
Poznaj kluczowe cechy i wymagania zawiasów do drzwi przeciwpożarowych. Dowiedz się, jak wybierać i konserwować te niezbędne elementy ochrony przeciwpożarowej w budynkach.

Poznaj kluczowe cechy i wymagania zawiasów do drzwi przeciwpożarowych. Dowiedz się, jak wybierać i konserwować te niezbędne elementy ochrony przeciwpożarowej w budynkach.

Poznaj rzeczywiste koszty ogrodzenia gabionowego z montażem. Sprawdź ceny za metr bieżący, koszty materiałów i robocizny. Zaplanuj budżet na swoje ogrodzenie!

Dowiedz się, jak prawidłowo używać klucza do anody magnezowej i dlaczego jest on niezbędny w konserwacji bojlera. Poznaj typy kluczy i techniki wymiany anody.

Poznaj wełnę Isoroc Isofas - skuteczną izolację termiczną i akustyczną dla Twojego domu. Dowiedz się, jak ocieplenie Isoroc Isofas zapewni Ci komfort i oszczędności energetyczne.

Sprawdź aktualne ceny bram wjazdowych kutych. Porównaj koszty różnych typów, poznaj czynniki wpływające na cenę i znajdź idealną bramę dla swojej posesji.

Dowiedz się, jak skutecznie usunąć zacieki na elewacji pod parapetem. Poznaj przyczyny, metody zapobiegania i naprawy uszkodzeń fasady. Chroń swój dom przed wilgocią i korozją.

Wybierz odpowiednie rygle do okien i zwiększ bezpieczeństwo swojego domu. Sprawdź rodzaje, ceny i instrukcję montażu. Porównaj najlepszych producentów i znajdź idealne zabezpieczenie.

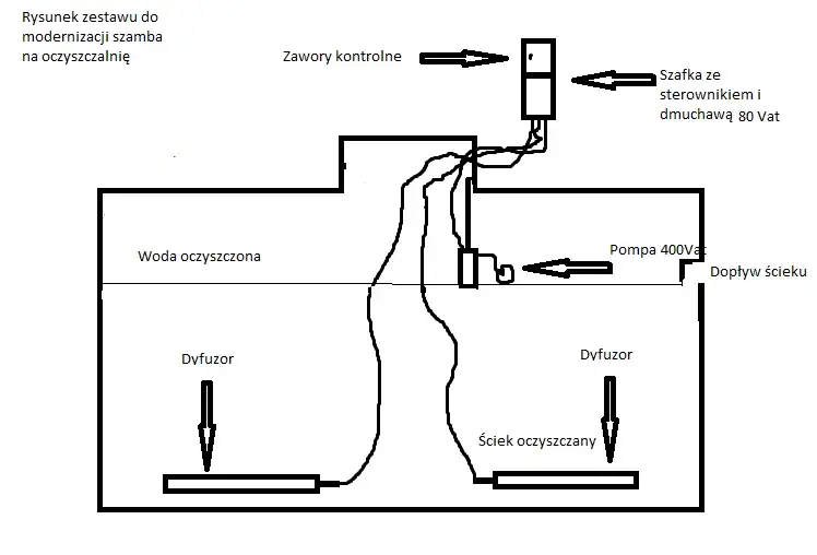
Dowiedz się, jak przekształcić szambo w oczyszczalnię biologiczną. Poznaj korzyści ekologiczne, oszczędności i praktyczne kroki modernizacji systemu ściekowego. Zrób to sam!

Poznaj kostkę brukową Promenada - eleganckie i trwałe rozwiązanie do ogrodu. Sprawdź kolory, wymiary i zastosowania. Stwórz funkcjonalną i piękną przestrzeń wokół domu.

Poznaj rodzaje zawiasów do futryny metalowej, ich właściwości i zastosowanie. Dowiedz się, jak wybrać odpowiednie zawiasy i zamontować je krok po kroku. Praktyczne porady i wskazówki.